產品名稱:扭矩傳感器,扭力傳感器,動態扭力傳感器,動態扭矩傳感器
產品型號:CAZF-TD96
特點與用途:
- 不銹鋼材質
- 應變式原理,精度高,重復性好,性能穩定可靠
- 沒有集流環等磨損件,可高速長時間運轉,輸出正反轉扭矩信號
- 內置變送,無需另配變送器
- 兩端均為鍵連接,安裝使用方便
- 響應頻率高
- 內部非接觸式,最高轉速可達8000轉/分鐘
- 可測動態扭矩與轉速
技術參數:

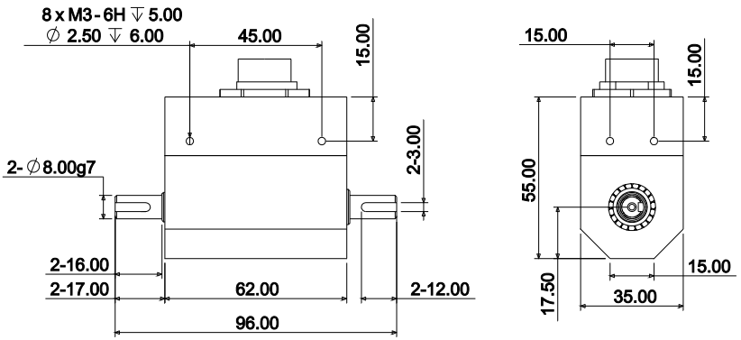
外形尺寸:

咨詢熱線0755-23406601
產品名稱:扭矩傳感器,扭力傳感器,動態扭力傳感器,動態扭矩傳感器
產品型號:CAZF-TD96
特點與用途:
技術支持:滄正傳感|